樓宇自控系統是將建筑物或者建筑群內的變配電、照明、電梯、空調、供熱、給排水、消防、安保等眾多分散設備的運行、安全狀況、能源使用以及節能管理實行集中監控、管理和分散控制的建筑物管理與控制系統。從而減少設備故障,降低維護和運營成本,提高建筑整體運營水平,提供健康、智能、舒適的環境,達到節能減排、低碳環保的目標。

本篇文章小編為大家整理了樓宇自控系統在大型建筑中的應用和功能解析,內容完整,設計合理,包括新風系統、冷熱源系統、給排水系統、送排風系統、照明系統、電梯系統,希望能夠對大家有所幫助,建議收藏!
一、設計思路
按照建筑不同層面進行設計
這種設計方式先按樓宇建筑層面劃分大系統,再按功能劃分子系統。對于大型的商務樓宇、辦公樓宇,往往是各個樓層有不同的用戶和用途,因此,不同樓層對BAS系統的要求會有所區別,按樓宇建筑層面組織的BAS系統能很好滿足要求。這種方案的特點有:
(1)由于是按樓宇建筑層面組織的,因此布線設計及施工比較簡單,子系統(區域)的控制功能設置比較靈活,調試工作相對獨立。
(2)整個系統的可靠性好,子系統失靈不會波及整個樓宇系統。
(3)設備投資增大,尤其是高層樓宇。
按照建筑不同功能進行設計
這種設計方法是先按功能劃分大系統,再按樓宇建筑層面劃分子系統。這種系統結構按照整個樓宇的各個功能系統來組織。這種方案的特點有:
(1)由于是按整座樓宇設備功能組織的,因此布線設計及施工比較復雜,調試工作量大。
(2)整個系統的可靠性較弱,子系統失靈會波及整個樓宇系統。
(3)可以節約設備投資。
混合型的樓控系統
這是兼有上述兩種結構特點的混合型樓控系統,即某些子系統(如供電、給排水、消防、電梯等)采用按整座樓宇設備功能組織的集中控制方式,另外一些子系統(如燈光照明、空調等)則按樓宇建筑層面組織的分區控制方式。
二、設計步驟
樓宇自控系統設計的主要步驟為:
(1)技術需求分析。根據建筑物的實際情況及業主的要求,依據相關規范與規定,確定建筑物內實施自動控制及管理的各個功能子系統,確認各功能子系統所包括的需要監控和管理的設備。
(2)確定各功能子系統的控制方案。對于需要進行樓宇自控系統的控制功能給出詳細說明,明確系統的控制方案及要達到的控制目標,選定實現樓宇自控的系統。
(3)確定系統監控點及監控設備。在控制方案的基礎上,確定被控制設備進行監控的點位、監控點的性質,并選用合適的傳感部分、執行部分、控制部分等。根據監控中心的功能和要求,確定其硬件設備數量和系統軟件。
(4)對控制設備進行匯總,對選配的控制設備、軟件進行列表統計。
(5)采用組態軟件完成系統、畫面及控制組態和軟件設計。
三、設計原則
(1)可靠性原則:采用高品質產品,保證產品質量高可靠性、性能的高穩定性,確保在今后較長時間內具備先進性。
(2)實用性原則:系統需要具備完成工程所需要功能的水準,符合工程要求的相關規范,所選設備功能完備、操作簡單、維護方便。
(3)兼容性原則:系統遵循開放、兼容的原則,根據技術標準,具備一致性可互換性選定設備,使系統能夠擁有靈活性、兼容性、拓展性等特點。
(4)模塊化原則:系統設計需要考慮模塊化,嚴格按照用戶需求和國家現行標準,實現功能模塊化定制。
樓宇自控系統在大型建筑中的應用主要有以下幾個方面:
一、智能監控和管理
樓宇自控系統可以通過各種傳感器、控制器和通信技術,實時監控建筑內的各種環境參數,如溫度、濕度、光照、空氣質量等,并根據預設的程序自動調節建筑內的空調、照明、通風等設備,以保持舒適的環境質量。
二、節能減排
樓宇自控系統可以通過智能調節設備,減少能源浪費,提高能源利用效率。例如,可以根據天氣和室內環境自動調整空調設備的運行參數,以減少能源消耗;可以根據室內光照情況自動調整照明設備的亮度,以節約電能。
三、提升建筑智能化水平
樓宇自控系統是建筑智能化的重要組成部分,通過該系統的應用,可以實現建筑的自動化、智能化管理,提高建筑的管理水平和效率。
四、增強安全保障
樓宇自控系統可以通過監控系統實時監測建筑內的安全狀況,如火災、盜竊等,并在發現問題時及時報警或采取相應的措施,提高建筑的安全性。
五、提升用戶體驗
樓宇自控系統可以提供更加舒適、便捷的環境,提高建筑用戶的滿意度。例如,可以通過智能調節空調和照明設備,為用戶提供更加舒適的室內環境。
六、實現遠程監控和管理
樓宇自控系統可以通過網絡通信技術實現遠程監控和管理,用戶可以通過電腦、手機等設備實時查看建筑內的環境狀況和設備運行情況,并遠程控制設備的運行。
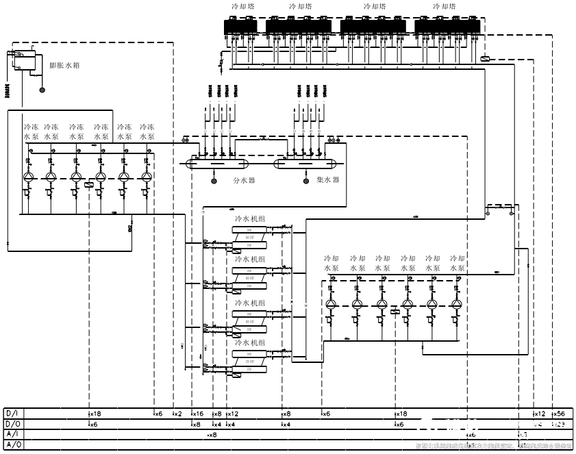
一、空調新風系統

空調控制的目的就是在最大限度節能與安全生產的條件下,自動調節各種裝置的實際輸出量,使之與實際負荷相適應,以滿足對空氣參數(溫度、濕度、壓力、清新度等)的要求。此外,對建筑物的空調機組、新風機組等,需進行集中啟停操作管理,以及各種參數、信息的顯示與管理,保證系統 能安全可靠地運行,并能達到節能環保的目標。
系統監測控制內容:回風溫度、回風濕度、機組運行狀態、故障狀態、手動自動狀態、過濾網阻塞報警、防凍報警等。
二、冷熱源系統
冷源監控

集中式空調系統冷站主要設備包括冷水機組、冷凍水循環系統、冷卻水循環系統等,是空調系統中最重要的設備之一。對其進行監控管理,對保障空調系統實現良好的室內熱環境控制和系統節能有著重要的作用。
系統監測控制內容:監測冷源系統中有關參數,有供回水溫度、回水流量、供回水壓力;膨脹水箱高低水位、各水泵的運行狀態、冷水機組的運行狀態、故障狀態、手動/自動狀態等。
熱源監控

供熱機組通常由鍋爐、熱交換器、水泵等組成,在供暖過程中,供熱機組中的鍋爐將水加熱到一定溫度,然后通過熱交換器與室內的熱水系統進行熱交換,將熱量傳遞給室內空氣。水泵用于循環輸送熱水,將冷卻的水送回銀爐進行再次加熱。供熱機組通過控制錫爐的燃燒量和水泵的流量來實現室內溫度的調節。
系統監測控制內容包括鍋爐各水泵的運行狀態、故障狀態、手動/自動狀態,膨脹水箱水位等。
三、給排水系統

建筑給排水系統是大樓的重要建筑設備,包括大廈的生活給水、消防用水系統;對污水進行及時排放的污水系統等。這些系統主要由水泵、水箱、水池、密道、閥門以及處理設備等組成。這些系統要保持正常運行,并保證供水質量、運行節能和安全,就需要對其進行監控與管理。
給水監測
系統遠程進行高低位水池(箱)監測。當液位高于啟泵液位時,啟動水泵,防止倒空。低于停泵液位時,關閉水泵。當液位高于溢流液位或報警液位時,則發出報警信號至BAS系統。系統自身對水泵的運行狀態、故障狀態進行監控。
排水監測
系統對排水進行遠程監測,監測內容為集水坑的超高水位、排污泵的運行狀態、故障狀態。排水監控系統主要功能包括:
(1)監測:利用水位開關監測集水坑高、低水位及報警水位。監測并顯示水泵運行狀態和故障狀態。
(2)控制:當集水坑水位達到啟泵水位時啟動潛污泵。停泵控制類似。使集水池水位在停泵水位與啟泵水位之間。水泵為1用1備(少部分集水坑中設有潛污泵3臺,平時2用1備,高峰時可同時使用),當故障使水位上升到報警水位時則啟動兩臺水泵排水,并發出報警信號至管理系統。
四、送排風系統

排風設備包括送風機、排風機、排煙風機,設備的主要監控內容為:監測送排風設備的開關狀態、手動自動狀態、故障狀態,根據預先編制好的時序啟停風機。
五、照明系統

智能照明控制采用全數字、模塊化、分布式的系統結構,對各種照明燈具遠程監控,具有燈光亮度的強弱調節、燈光軟啟動、定時控制、場景設置等功能,達到對各個照明控制箱的參數設定、修改以及場景照明狀態監控目的,記錄燈具全生命周期,有效控制能源消耗、提高燈具壽命、降低維護和管理成本,達到安全、節能、舒適、高效、人性化的效果。
六、電梯系統

智慧電梯監管基于物聯網、大數據、云計算、人工智能AI等技術,采用傳感器、物聯網終端、智能攝像頭和電梯網關等作為硬件支撐,實時采集電梯運行數據以及狀態,實現電梯遠程狀態監管、故障預測、電動車智能檢測、危險行為監測、一鍵報警、廣告發布、可視對講、數據分析等功能。實現遠程預警,提升應急救援效率。
目前智能建筑在我國得到了迅速的發展,在新建建筑特別是大型高層建筑中,智能建筑的比例在逐步上升。在不久的將來,更多的前沿信息技術,以及節能、環保、生態等因素,將融入到智能建筑中來。智能建筑將會向智慧建筑、綠色智能建筑方向發展前進。
以上便是樓宇自控系統在大型建筑中的應用和功能解析的全部內容,更多信息資訊,請關注裕乾官網。
更多裕乾精彩文章,點擊下方鏈接立即查看:
掃碼加微信咨詢產品、免費報價
裕乾(4006569698,www.1551vip.com)是一家智慧化系統集成軟硬件研發、銷售、服務為主的高新技術企業。經過多年發展,公司已成為智慧建筑、智慧工業、智慧環保、智慧電力、智慧水利、智慧農業等領域,具有自主研發能力、自主知識產權與自主品牌一體化的先進解決方案供應商、系統集成綜合服務商。